Nucleo L053R8

Overview

The STM32 Nucleo-64 development board with STM32L053R8 MCU, supports Arduino and ST morpho connectivity.

The STM32 Nucleo board provides an affordable, and flexible way for users to try out new concepts, and build prototypes with the STM32 microcontroller, choosing from the various combinations of performance, power consumption, and features.

The Arduino* Uno V3 connectivity support and the ST morpho headers allow easy functionality expansion of the STM32 Nucleo open development platform with a wide choice of specialized shields.

The STM32 Nucleo board integrates the ST-LINK/V2-1 debugger and programmer.

The STM32 Nucleo board comes with the STM32 comprehensive software HAL library together with various packaged software examples.

More information about the board can be found at the Nucleo L053R8 website [1].

Hardware

Nucleo L053R8 provides the following hardware components:

  • STM32 microcontroller in QFP64 package

  • Two types of extension resources:

    • Arduino* Uno V3 connectivity

    • ST morpho extension pin headers for full access to all STM32 I/Os

  • On-board ST-LINK/V2-1 debugger/programmer with SWD connector:

    • Selection-mode switch to use the kit as a standalone ST-LINK/V2-1

  • Flexible board power supply:

    • USB VBUS or external source (3.3V, 5V, 7 - 12V)

    • Power management access point

  • Three LEDs:

    • USB communication (LD1), user LED (LD2), power LED (LD3)

  • Two push-buttons: USER and RESET

  • USB re-enumeration capability. Three different interfaces supported on USB:

    • Virtual COM port

    • Mass storage

    • Debug port

More information about STM32L053R8 can be found in the STM32L0x3 reference manual [2]

Supported Features

The nucleo_l053r8 board supports the hardware features listed below.

on-chip / on-board
Feature integrated in the SoC / present on the board.
2 / 2
Number of instances that are enabled / disabled.
Click on the label to see the first instance of this feature in the board/SoC DTS files.
vnd,foo
Compatible string for the Devicetree binding matching the feature.
Click on the link to view the binding documentation.

nucleo_l053r8/stm32l053xx target

Type

Location

Description

Compatible

CPU

on-chip

ARM Cortex-M0+ CPU1

arm,cortex-m0+

ADC

on-chip

STM32 ADC1

st,stm32-adc

Clock control

on-chip

STM32 RCC (Reset and Clock controller)1

st,stm32-rcc

on-chip

STM32 HSE Clock1

st,stm32-hse-clock

on-chip

Generic fixed-rate clock provider3

fixed-clock

on-chip

STM32L0/L1 Multi Speed Internal Clock1

st,stm32l0-msi-clock

on-chip

STM32 LSE Clock1

st,stm32-lse-clock

on-chip

STM32L0/L1 Main PLL1

st,stm32l0-pll-clock

Counter

on-chip

STM32 counters2

st,stm32-counter

DAC

on-chip

STM32 family DAC1

st,stm32-dac

DMA

on-chip

STM32 DMA controller (V2)1

st,stm32-dma-v2

Flash controller

on-chip

STM32 Family flash controller1

st,stm32-flash-controller

GPIO & Headers

on-chip

STM32 GPIO Controller3 2

st,stm32-gpio

on-board

GPIO pins exposed on Arduino Uno (R3) headers1

arduino-header-r3

on-board

GPIO pins exposed on ST Morpho connector1

st-morpho-header

I2C

on-chip

STM32 I2C V2 controller1 1

st,stm32-i2c-v2

Input

on-board

Group of GPIO-bound input keys1

gpio-keys

Interrupt controller

on-chip

ARMv6-M NVIC (Nested Vectored Interrupt Controller) controller1

arm,v6m-nvic

on-chip

STM32 External Interrupt Controller1

st,stm32-exti

LED

on-board

Group of GPIO-controlled LEDs1

gpio-leds

Memory controller

on-chip

STM32 Battery Backed RAM1

st,stm32-bbram

MTD

on-chip

STM32L0 flash memory1

st,stm32l0-nv-flash

on-chip

STM32 on-chip EEPROM1

st,stm32-eeprom

PHY

on-chip

This binding is to be used by all the usb transceivers which are built-in with USB IP1

usb-nop-xceiv

Pin control

on-chip

STM32 Pin controller1

st,stm32-pinctrl

PWM

on-chip

STM32 PWM3

st,stm32-pwm

Reset controller

on-chip

STM32 Reset and Clock Control (RCC) Controller1

st,stm32-rcc-rctl

RTC

on-chip

STM32 RTC1

st,stm32-rtc

Sensors

on-chip

STM32 family TEMP node for production calibrated sensors with two calibration temperatures1

st,stm32-temp-cal

on-chip

STM32 VREF+1

st,stm32-vref

Serial controller

on-chip

STM32 USART1 1

st,stm32-usart

on-chip

STM32 LPUART1

st,stm32-lpuart

SMbus

on-chip

STM32 SMBus controller2

st,stm32-smbus

SPI

on-chip

STM32 SPI controller1 1

st,stm32-spi

SRAM

on-chip

Generic on-chip SRAM1

mmio-sram

Timer

on-chip

ARMv6-M System Tick1

arm,armv6m-systick

on-chip

STM32 timers4

st,stm32-timers

on-chip

STM32 low-power timer (LPTIM)1

st,stm32-lptim

USB

on-chip

STM32 USB controller1

st,stm32-usb

Watchdog

on-chip

STM32 watchdog1

st,stm32-watchdog

on-chip

STM32 system window watchdog1

st,stm32-window-watchdog

Connections and IOs

Each of the GPIO pins can be configured by software as output (push-pull or open-drain), as input (with or without pull-up or pull-down), or as peripheral alternate function. Most of the GPIO pins are shared with digital or analog alternate functions. All GPIOs are high current capable except for analog inputs.

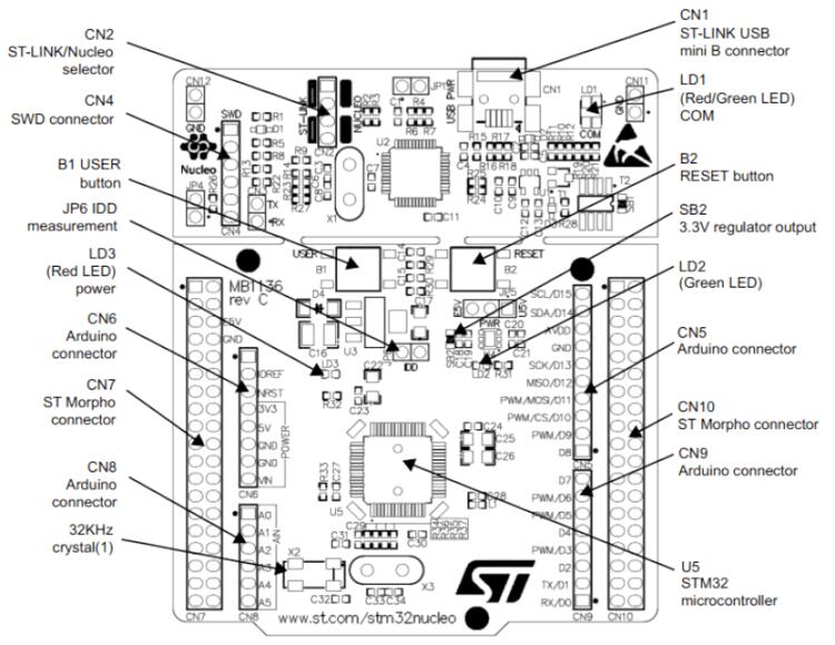
Board connectors:

Nucleo L053R8 connectors

Default Zephyr Peripheral Mapping:

  • UART_1 TX/RX : PB6/PB7

  • UART_2 TX/RX : PA2/PA3 (ST-Link Virtual Port Com)

  • I2C1 SCL/SDA : PB8/PB9 (Arduino I2C)

  • SPI1 SCK/MISO/MOSI : PA5/PA6/PA7 (Arduino SPI)

  • USER_PB : PC13

  • LD2 : PA5

For more details please refer to STM32 Nucleo-64 board User Manual [3].

Programming and Debugging

The nucleo_l053r8 board supports the runners and associated west commands listed below.

flash debug rtt debugserver attach
jlink
openocd ✅ (default)
stm32cubeprogrammer ✅ (default)

Nucleo L053R8 board includes an ST-LINK/V2-1 embedded debug tool interface.

Applications for the nucleo_l053r8 board configuration can be built and flashed in the usual way (see Building an Application and Run an Application for more details).

Flashing

The board is configured to be flashed using west STM32CubeProgrammer [4] runner, so its installation is required.

Alternatively, OpenOCD or JLink can also be used to flash the board using the --runner (or -r) option:

$ west flash --runner openocd
$ west flash --runner jlink

Flashing an application to Nucleo L053R8

Here is an example for the Blinky application.

# From the root of the zephyr repository
west build -b nucleo_l053r8 samples/basic/blinky
west flash

You will see the LED blinking every second.

Debugging

You can debug an application in the usual way. Here is an example for the Hello World application.

# From the root of the zephyr repository
west build -b nucleo_l053r8 samples/hello_world
west debug

References